FUSES大型、大电流慢断车用
MEGA298系列保险丝规格书
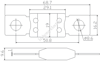
MEGA298系列保险丝是用螺丝固定安装的,设计用于保护高达250安培的电流流通的电路.适合用于蓄电池,发电机插管和其他超高电流的重型电缆.
额定电压值: DC32V
温度:-40℃至+125℃
Material材料:PBT外壳 CuSn7+Sn电极
Safety Approvals:(安全认证):
电气特性:
| 电流额定值百分比 | 熔断时间 | |
| 最小 | 最大 | |
|
110% 135% 200% 350% 600% |
4小时 |
|
订货资料:
| 目录号 | 颜色标记 | 额定电流(安培) | 公称冷电阻(毫欧) | 最小溶化热I2t(A2Sec) |
|
298.080. 298.100. 298.125. 298.150. 298.175. 298.200. 298.225. 298.250. |
- 黄 绿 橙 白 兰 褐 粉红 |
80 100 125 150 175 200 225 250 |
0.72 0.55 0.43 0.35 0.27 0.26 0.23 0.19 |
- 31100 57800 100000 168000 204000 257000 389000 |
LESFUSE 乐声电器有限公司
QQ:541560922
电话:0574-62646008(总机)62645880 传真:0574-62645883
邮箱:postmaster@lesheng.com
地址:浙江省余姚市新建北路818号 智晟云谷北区7-1